



Tap Tap to Zoom
Pall Filter Membrn 0.2UM 142MM PK25 66204 has been discontinued by Pall and is no longer available. Our product experts have helped us select these available replacements below.You can also explore other items in the Laboratory Filters, Laboratory membrane filters yourself to try and find the perfect replacement for you!
Pall Filter Membrn 0.2UM 142MM PK25 66204 is one of the many quality laboratory and scientific products we have to offer at very competitive pricing. Pall Filter Membrn 0.2UM 142MM PK25 66204 / 28150-961 is part of a wide selection of Pall Laboratory membrane filters. Combining excellent quality with an affordable price, the Pall Filter Membrn 0.2UM 142MM PK25 66204 / 28150-961 can meet your scientific research needs while still offering a good value for a budget conscious end user. If you have any questions about any of our Laboratory membrane filters please do not hesitate to contact our customer service for further guidance.![]()
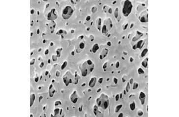
HT Tuffryn filters are excellent for sterilization of culture media and other aqueous solutions where protein binding must be minimized. Hydrophilic polysulfone membrane is extremely low protein binding. Can be sterilized together with glassware and other utensils in the same dry heat or autoclave cycle. Plain surface.
| PoreSize, µm: | 0.2 |
| Diameter,mm: | 142 |
| Â Pall No.: | 66204 |
| Unit: | Pack of 25 |